Opsteek tandwielkast F0202 holle as H30 i=23.1 motorflens P80/B5 positie H1
| Product code | F0202023104BH |
|---|---|
| Leveranciernummer | F0202 H30 23.1 P80 H1 |
| Ingaand vermogen [kW] | 0.75 kW |
| Uitgaand koppel reductor [Nm] | 113 Nm |
| Uitgaand toerental reductor [rpm] | 60 min-1 |
| Uitgaande asdiameter reductor | 30 mm |
| fabrikant | Bonfiglioli Riduttori |
|---|---|
| serie code reductor | F - Opsteek tandwielreductor |
| iEC flens type | B5 |
| iEC flensgrootte | 80 |
| type code reductor | F0202 |
| reductor uitvoering | H - Holle as met spie |
| type ingang reductor | P - IEC motorflens |
| montage positie reductor | H1 |
| uitgaande asdiameter reductor | 30 mm |
| ingaand vermogen [kW] | 0.75 kW |
| thermisch vermogen [1400 rpm] | 9.1 kW |
| uitgaand koppel reductor [Nm] | 113 Nm |
| service factor | 2.1 |
| ingaand toerental reductor | 1400 min-1 |
| overbrengingsverhouding | 23.1 |
| exacte overbrengingsverhouding | 23.14973 |
| uitgaand toerental reductor [rpm] | 60 min-1 |
| massatraagheid reductor | 0.00034 kgm² |
| dynamisch rendement | 95 % |
| gewicht reductor | 13 kg |
| hoeveelheid smeerolie | 1.9 L |
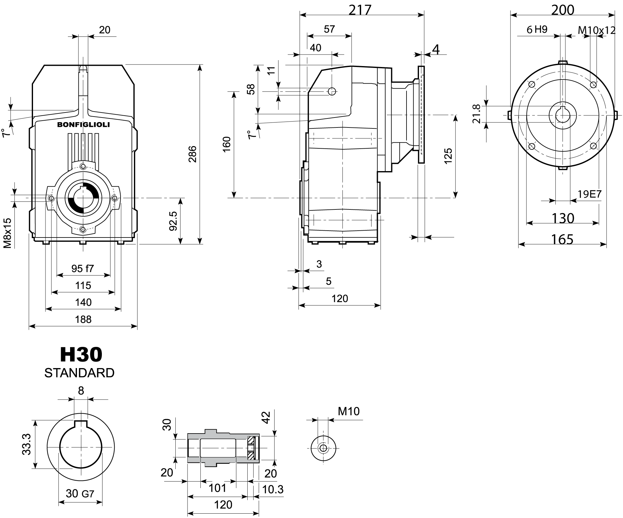
Tekening
Een efficiënte en eenvoudige manier om een aandrijving te integreren in een transportsysteem, de opsteekreductoren van de F-serie. Licht in eigen gewicht maar een zwaargewicht voor wat betreft de prestaties en betrouwbaarheid. Eigenschappen die van de F-serie opsteekreductoren de ideale oplossing maken voor zowel goede en betrouwbare prestaties als voor een makkelijke montage.
De rechte tandwielkasten uit de F-serie zijn leverbaar met verschillende ingangen;
- HS uitvoering met massief ingaande as
- P uitvoering met IEC of NEMA gestandaardiseerde motor aanbouwflens
- M uitvoering met geintegreerde draaistroommotor (optioneel met rem)
- SK uitvoering met servomotor aanbouwflens
- SC uitvoering met servomotor aanbouwflens
Sommige uitvoeringen en bouwgroottes zijn leverbaar ATEX gecertificering
Voor de P uitvoering met motoraanbouwflens zijn de volgende eigenschappen van toepassing;
Koppel
- 140 – 14.000 Nm
Uitgaand vermogen (bij n1 = 1400 rpm)
- 0,17 – 125 kW
Overbrengingsverhoudingen
- 6,4 – 2099
Uitvoering ingang
- IEC grootte 63 - 250
- NEMA
