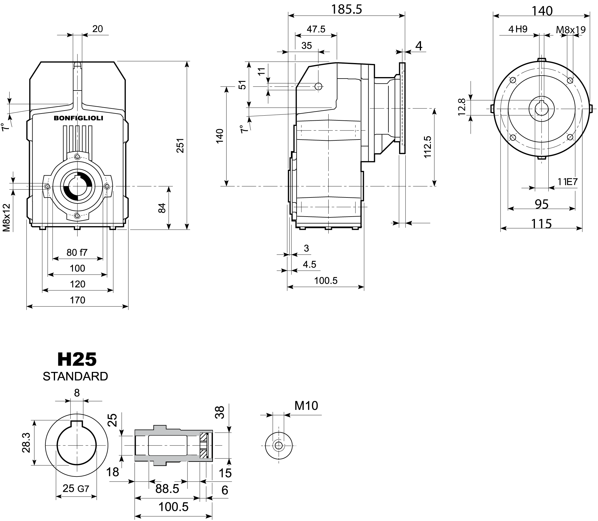
Opsteek tandwielkast F0102 holle as H25 i=7.4 motorflens P63/B5 positie H1
| Product code | F0102007402BH | 
|---|---|
| Leveranciernummer | F0102 H25 7.4 P63 H1 | 
| Ingaand vermogen [kW] | 0.18 kW | 
| Uitgaand koppel reductor [Nm] | 9 Nm | 
| Uitgaand toerental reductor [rpm] | 189 min-1 | 
| Uitgaande asdiameter reductor | 25 mm | 
| fabrikant | Bonfiglioli Riduttori | 
|---|---|
| serie code reductor | F - Opsteek tandwielreductor | 
| iEC flens type | B5 | 
| iEC flensgrootte | 63 | 
| type code reductor | F0102 | 
| reductor uitvoering | H - Holle as met spie | 
| type ingang reductor | P - IEC motorflens | 
| montage positie reductor | H1 | 
| uitgaande asdiameter reductor | 25 mm | 
| ingaand vermogen [kW] | 0.18 kW | 
| thermisch vermogen [1400 rpm] | 3.8 kW | 
| uitgaand koppel reductor [Nm] | 9 Nm | 
| service factor | 8.9 | 
| ingaand toerental reductor | 1400 min-1 | 
| overbrengingsverhouding | 7.4 | 
| exacte overbrengingsverhouding | 7.40443 | 
| uitgaand toerental reductor [rpm] | 189 min-1 | 
| massatraagheid reductor | 0.00018 kgm² | 
| dynamisch rendement | 95 % | 
| gewicht reductor | 8 kg | 
| hoeveelheid smeerolie | 1.1 L | 
Tekening
 
                                                    Een efficiënte en eenvoudige manier om een aandrijving te integreren in een transportsysteem, de opsteekreductoren van de F-serie. Licht in eigen gewicht maar een zwaargewicht voor wat betreft de prestaties en betrouwbaarheid. Eigenschappen die van de F-serie opsteekreductoren de ideale oplossing maken voor zowel goede en betrouwbare prestaties als voor een makkelijke montage.
De rechte tandwielkasten uit de F-serie zijn leverbaar met verschillende ingangen;
- HS uitvoering met massief ingaande as
- P uitvoering met IEC of NEMA gestandaardiseerde motor aanbouwflens
- M uitvoering met geintegreerde draaistroommotor (optioneel met rem)
- SK uitvoering met servomotor aanbouwflens
- SC uitvoering met servomotor aanbouwflens
Sommige uitvoeringen en bouwgroottes zijn leverbaar ATEX gecertificering
Voor de P uitvoering met motoraanbouwflens zijn de volgende eigenschappen van toepassing;
Koppel
- 140 – 14.000 Nm
Uitgaand vermogen (bij n1 = 1400 rpm)
- 0,17 – 125 kW
Overbrengingsverhoudingen
- 6,4 – 2099
Uitvoering ingang
- IEC grootte 63 - 250
- NEMA
 
                    
 
                                 
                                 
                                 
                                 
                                 
                                 
                                 
                                 
                                                                                     
                                                                                    