Reactiearm voor haakse tandwielkast A35

€ 163.00 Excl btw

Voorraad wordt opgevraagd

Reactiearm voor kegeltandwielreductor A35

Productspecificaties
Product code ARMA0035
Leveranciernummer A35-TA
Optie voor serie A-serie (kegeltandwielreductor)
optie voor serie A-serie (kegeltandwielreductor)

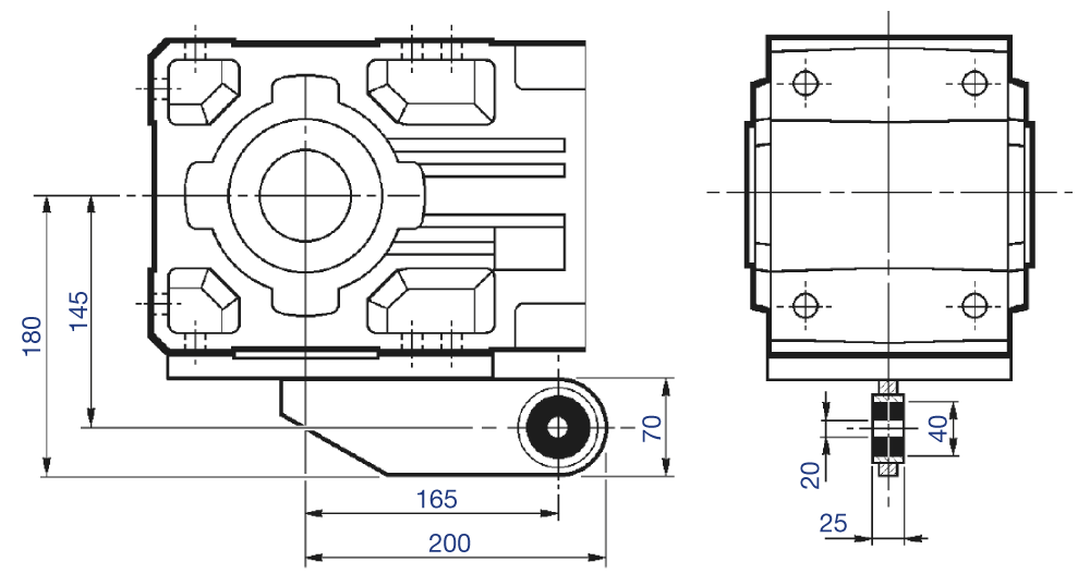
Tekening

Maatschets reactie arm voor Bonfiglioli kegeltandwielreductor type A35

Met de optie TA wordt een losse reactiearm meegeleverd. Bij montagewijze met reactiearm wordt in de regel de reductor met de uitgaande holle as direct op de massieve as van het aan te drijven werktuig geplaatst. De reactiearm wordt aan de behuizing van de reductor gemonteerd en aan een steunbout op het werktuig. Het voordeel van deze compacte montagewijze is dat er geen geen extra montageplaat benodigd is en de uitgaande as van de reductor geen zware buigende lasten te verduren krijgt maar "vrij" kan meebewegen met de as.